Electrical Load Detector For 2012 Honda Civic / I know my 97 honda civic dx doesn't.

Electrical Load Detector For 2012 Honda Civic / I know my 97 honda civic dx doesn't.. Mechanical problems & technical chat. Feb 11, 2012 · ok my friend has a 98 civic and it is having problems in the electrical system. What repair manual do you have? Detecta la cantidad de enegía que se está utilizando por los. Poor electrical connection in electric load detector circuit.

D15b7 block / d16y4 head. 2002 honda civic, p1289 (eld) electric load detector replacement. Visually inspect the related wiring harness and connectors. This article applies to all honda models except passport. What repair manual do you have?

1
1 from
Would this cause the car not to crank and not fire? P1297 electrical load detector circuit low input or mil 20 p1298 electrical load detector circuit high input or mil 20 this is what i found on the 1995 honda civic dx, manual, 5speed. Also see for honda civic. Eld bypass for honda civic/accord/fit. When the battery is not fully charged and it reads around 12.3 vdc using a voltmeter. Customers who bought this item also bought. Honda eld electric load detection p1298. Honda civic 96 will not start have check all electrical and pump.

I was advised to look for a short in a wire harness just behind the intake.

Honda acura abs testing (1995 acura integra case study) | transmission no shift case study (p0888) | This article applies to all honda models except passport. Poor electrical connection in electric load detector circuit. I know my 97 honda civic dx doesn't. What repair manual do you have? Has anyone had a problem with a 2003 honda accord (3l), or any other year accord, where when you turn on the lights. Honda eld electric load detection p1298. Would this cause the car not to crank and not fire? How do i fix code p1298 honda? Here you will find fuse box diagrams of honda civic 2012, 2013, 2014 and 2015, get information about the location of the fuse panels inside the car, and learn. Check for damaged components and look for broken, bent, pushed out, or corroded connector's pins. Overview on replacing the electronic load detector on a 2002 honda civic si. Here at advance auto parts, we work with only.

#7 • apr 22, 2012. (electronic load detector) on honda civics and. Another battery will not counter the effects. Honda civic sedan electronic load detector. Installed in a 2003 honda civic to clear the 1298 code, electrical load detector.

Next Generation Honda Civic Is Mission Critical
Next Generation Honda Civic Is Mission Critical from s3-prod.autonews.com
It could worsen them since you are increasing charging load. Has anyone had a problem with a 2003 honda accord (3l), or any other year accord, where when you turn on the lights. How do i fix code p1298 honda? This will be a similar process in other. Low prices on electronic load detector for your honda civic at advance auto parts. Eld bypass for honda civic/accord/fit. How to replace hondas eld electrical load detector faultcode p1298 eld voltage high instagram. Wiggle the eld and you can verify which electrical.

Detecta la cantidad de enegía que se está utilizando por los.

Genuine for honda oil filter oem petrol models civic integra accord crv hrv. Also see for honda civic. Had the reg/alternator and battery check ok. Overview on replacing the electronic load detector on a 2002 honda civic si. Its pretty common for these to fail. Honda eld electric load detection p1298. I know my 97 honda civic dx doesn't. When it comes to your honda civic, you want parts and products from only trusted brands. Here at advance auto parts, we work with only. Still using the 2005 civic dx as an example, the ignition. Visually inspect the related wiring harness and connectors. Poor electrical connection in electric load detector circuit. #7 • apr 22, 2012.

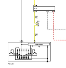
Honda civic 2012 charging battery issue without lights 6 answers. I just started investigating myself. The red squared in area is what is referred to as the eld, or electrical load detector, for our car. Detecta la cantidad de enegía que se está utilizando por los. Detecta la cantidad de enegía que se está utilizando por los.

Replacing Honda Civic Eld Electrical Load Detector P1298 Youtube
Replacing Honda Civic Eld Electrical Load Detector P1298 Youtube from i.ytimg.com
What repair manual do you have? Electronic load detector unit circuit poor electrical connection. Oem equipment directly from a honda supplier. Overview on replacing the electronic load detector on a 2002 honda civic si. This code specifically pertains to a condition in which a voltage signal that is higher than. The red squared in area is what is referred to as the eld, or electrical load detector, for our car. When the battery is not fully charged and it reads around 12.3 vdc using a voltmeter. Mechanical problems & technical chat.

Detecta la cantidad de enegía que se está utilizando por los.

Low prices on electronic load detector for your honda civic at advance auto parts. I just started investigating myself. Possibly, the 91 civic also lacks an eld. Still using the 2005 civic dx as an example, the ignition. Here you will find fuse box diagrams of honda civic 2012, 2013, 2014 and 2015, get information about the location of the fuse panels inside the car, and learn. Another battery will not counter the effects. Honda civic 2012 lx 1.8l won't charge under certain load conditions. I know my 97 honda civic dx doesn't. Has anyone had a problem with a 2003 honda accord (3l), or any other year accord, where when you turn on the lights. What repair manual do you have? What should i do or check if my engine light is on and it's giving me a p1298 code which is electrical load detector i have a 97 honda and the same problem. Honda acura abs testing (1995 acura integra case study) | transmission no shift case study (p0888) | Electronic load detector unit circuit poor electrical connection.

Related : Electrical Load Detector For 2012 Honda Civic / I know my 97 honda civic dx doesn't..